咨询热线
13360085394

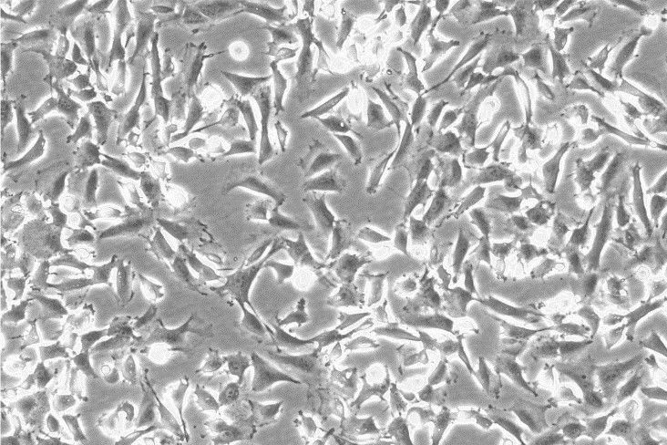
SW579 

基本信息

B26331

SW-579; SW 579

SW579

活细胞(默认)或干冰寄送

培养方法

90%Leibovitz's L-15+10% FBS

Temperature: 37°C ; Carbon dioxide (CO₂), 5%

贴壁细胞

90% FBS(优质) + 10% DMSO;存于液氮中

详细说明

质保:天晖承诺对细胞质量永久质保!永久售后!
承诺:本库细胞均经过支原体检测(PCR assay)、内毒素检测等质检。相关检测报告及STR鉴定报告将随细胞发给您。我们只提供“低代数”细胞并且严格遵循《Culture of Animal Cells,7th Edition》规定,力求做好每一个细节!

快速订购  

* 请留下真实的信息!我们会在第一时间联系您。

或者拨打 13360085394 进行咨询

*请留下真实的信息!注意信息是否有误。   

13360085394

1336008@163.com

广州市天河区中山大道中288号四层

如何联系我们
© Copyright 2025 ALL Rights Reserved 广州天晖生物科技有限公司 粤ICP备2025399991号